忍者ブログ

X68ブログ

 サイト「X68000改造室」http://x68.aikotoba.jp の更新告知やサイト運営、X68の改造にまつわる小ネタを書いていきます。また、コメントを通して、サイトを見ていただいた方との交流の場ともしていきたいと思います。感想や疑問、記事の誤りなど、コメントいただければ、記事に反映していきたいと思います。

   

[PR]

×

[PR]上記の広告は3ヶ月以上新規記事投稿のないブログに表示されています。新しい記事を書く事で広告が消えます。

メタステーブル問題

いきなり専門用語です。ネット検索で知ったのですが、「メタステーブル」はフリップフロップにおいてクロックによるラッチ時に入力がふらつくと、出力がHighとLowの中間電位のまましばらく続き、やがてHighとLowどちらかに落ち着くという現象だそうです。

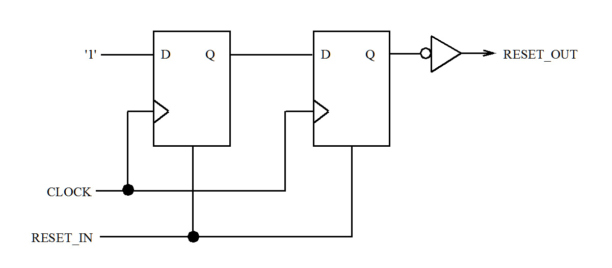
 例の解像度モード切替直後に絵が出ないことがある不具合の原因はこれかもしれないと考えました。解像度の切替直後、出力用ピクセルクロックの周波数切り替えと併せて、同期信号を作るカウンタをリセットしています。そのリセット信号はX68000のピクセルクロックには同期していますが、出力用ピクセルクロックに対しては非同期です。カウンタのリセット信号とクロック信号が同時に変化するとこの現象が起きるそうですから、不具合の犯人の可能性濃厚です。早速対策回路をVHDLで追記し、リセットは非同期にかかり、リセットからの復帰はクロック同期となるようにしました。追記部分は回路図で書くと以下のとおりです。下欄のウェブサイトの記事を参考にしました。
 実際に記述したVHDL(信号名と終段処理は変わっています)

 結果、ピンポンのようです。その後、X68000の解像度を768X512、512X512の間で繰り返し切り替えてみましたが、画像が消えることはなくなりました。ひとつ、前進です。

 以下のサイトを参考にしました。
http://www.altima.jp/products/software/mentor/fv/column/cdc-2.html
http://natu.txt-nifty.com/natsutan/2008/03/fpga_05d1.html

★★★ メインサイトへのリンク 「X68000改造室」★★★




PR

COMMENT

NAME
TITLE
MAIL(非公開)
URL
EMOJI
Vodafone絵文字 i-mode絵文字 Ezweb絵文字
COMMENT
PASS(コメント編集に必須です)
SECRET
管理人のみ閲覧できます

No Title

  • by saku39
  • 2015/01/31(Sat)15:32
  • Edit
非同期渡りでよくやってしまうやつですね。ご自分で気がついたのはすごいです。FF間の遅延がクロック周期より短いことが前提なので直らないこともありましたが。

No Title

  • by ぱち(管理人)
  • 2015/02/01(Sun)02:47
  • Edit
コメント、ありがとうございます。ネット検索でヒントをもらいました。

その後の運用で、まだ、ほんの時たま、解像度切替後、画面が出ないことがあります。まだ、何かありそうです。

カレンダー

12 2026/01 02
S M T W T F S
1 2 3
4 5 6 7 8 9 10
11 12 13 14 15 16 17
18 19 20 21 22 23 24
25 26 27 28 29 30 31

フリーエリア

最新CM

[02/01 ぱち(管理人)]
[01/31 saku39]
[12/27 ぱち(管理人)]
[12/27 saku39]
[01/20 ぱち(管理人)]

プロフィール

HN:
ぱち
性別:
非公開

バーコード

ブログ内検索

P R

Copyright ©  -- X68ブログ --  All Rights Reserved
Design by CriCri / Photo by Geralt / powered by NINJA TOOLS / 忍者ブログ / [PR]